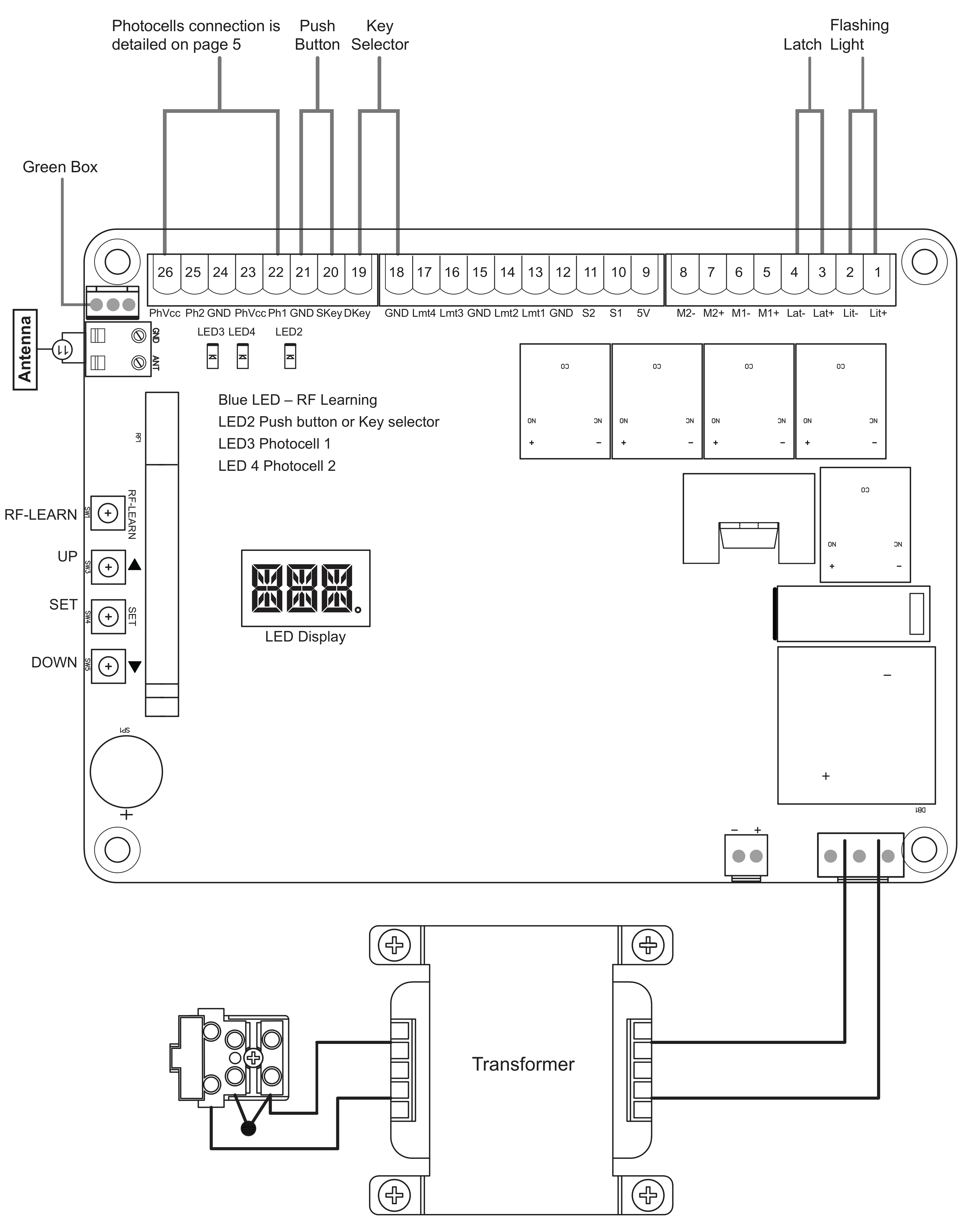
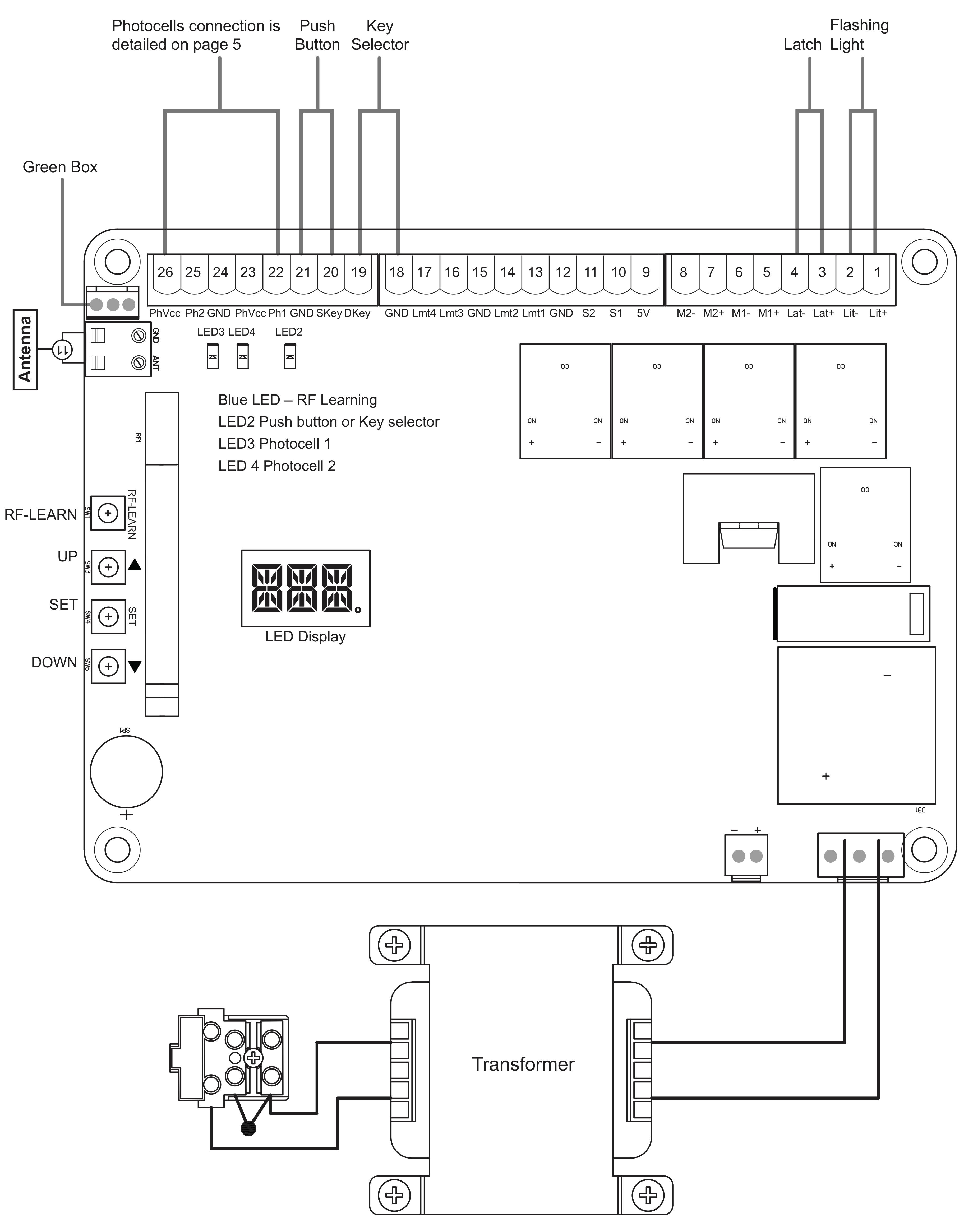
Control Board
แผงควบคุมการทำงาน โหมดฟังชั่นการทำงาน แสดงผลหน้าจอแบบ LED ปรับเลือกโหมดการทำงานง่ายเพียงปลายนิ้วสัมผัส
- รองรับการทำงานกับประตูบานเดี่ยว และบานคู่
- เลือกสั่งงานเปิดประตูแบบพร้อมกัน 2บาน หรือเปิดแค่บานเดียว
- ตั้งกำลังแรงดึงตามน้ำหนักประตู
- ตั้งเวลาประตูปิดเองอัตโนมัติตั้งแต่ 3-300 วินาที
- ตั้งความเร็วในการทำงานได้ 2 ระดับ
- ตั้งความเร็วการชะลอตัวได้ 2 ระดับ
- เปิดปิดระบบเซนเซอร์ด้านประตูปิด
- เปิดปิดระบบเซนเซอร์ด้านประตูเปิด
- เลือกการทำงานแบบแยกปุ่ม
- ระบบเสียงเตือนขณะมอเตอร์ทำการ
- ต่อพวงแบตเตอรี่สำรองไฟ ใช้งานได้แม้ขณะไฟฟ้าดับ
Catalog & Installation Download



